Электрический котел 125 кВт Универсал
Электрокотел 125 кВт модели Универсал предназначен для работы в автономных системах отопления складских, производственных, сельскохозяйственных и жилых зданий.
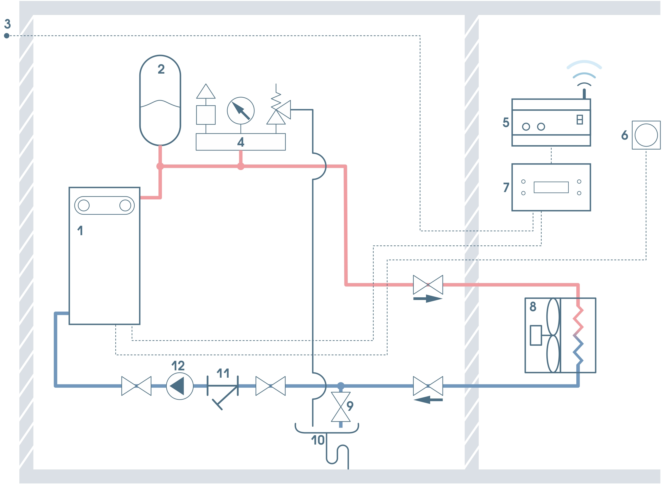
Монтируется на стене, занимает мало места и не требует отдельного помещения для размещения, имеет встроенный термоманометр. Котел имеет каскадное включение ступеней, контролирует наличие теплоносителя, входное напряжение, имеется возможность подключения дополнительного реле протока и термостата-программатора.
Плата управления электрического котла 125 кВт Универсал имеет разъем для подключения погодозависимого контроллера и GSM-управления.
Гарантия производителя 18 месяцев
Сертификат соответствия Таможенного союза

